Tư vấn chọn bồn lọc áp lực phù hợp với nhu cầu sử dụng

Bồn lọc áp lực được làm từ chất liệu gì?

Bồn lọc áp lực có thể được làm từ nhiều chất liệu khác nhau như thép, composite hoặc inox. Chất liệu được chọn phụ thuộc vào mục đích sử dụng và yêu cầu kỹ thuật cụ thể của bồn lọc áp lực.
Trong trường hợp bồn lọc áp lực được làm từ thép, chất liệu này được chọn vì có độ bền cao, chống ăn mòn tốt và thích hợp cho các ứng dụng công nghiệp.
Còn nếu bồn lọc áp lực được làm từ composite, đây là một loại vật liệu kết hợp giữa nhựa và sợi thủy tinh hoặc sợi carbon. Composite có đặc tính nhẹ, bền, cách nhiệt và chống ăn mòn, nên thích hợp cho việc sử dụng trong các ứng dụng phụ thuộc vào công nghệ lọc nước sử dụng.
Bồn lọc áp lực cũng có thể được làm từ inox, một loại thép không gỉ. Inox có khả năng chịu được môi trường ăn mòn cao và có tính thẩm mỹ cao, nên thường được sử dụng trong các ứng dụng yêu cầu vẻ ngoài sáng bóng và chống ăn mòn.
Tóm lại, bồn lọc áp lực có thể được làm từ thép, composite hoặc inox, tùy thuộc vào mục đích sử dụng và yêu cầu kỹ thuật của bồn lọc áp lực cụ thể.
 Tư vấn chọn bồn lọc áp lực phù hợp với nhu cầu sử dụng
Tư vấn chọn bồn lọc áp lực phù hợp với nhu cầu sử dụng

Bồn lọc áp lực có dạng hình gì?

Bồn lọc áp lực có dạng hình trụ đứng hoặc ngang.

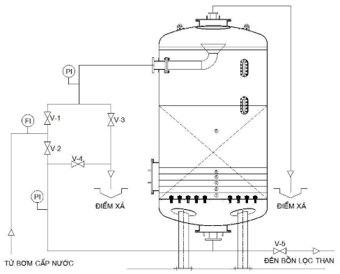
Bể lọc áp lực được cấu tạo và thiết kế như thế nào?

Bể lọc áp lực được cấu tạo và thiết kế như sau:
Vật liệu: Bể lọc áp lực có thể được làm từ thép hoặc composite (nhựa cốt sợi) với tính năng chịu áp lực cao.
Hình dạng: Bể lọc áp lực thường có dạng hình trụ đứng (nhỏ) hoặc ngang (lớn). Hình dạng này giúp bể lọc chịu được áp lực nước và dễ dàng lắp đặt trong không gian.
Kín nước: Bể lọc áp lực được thiết kế là loại bể nhanh kín, không để nước rò rỉ ra ngoài. Điều này đảm bảo hiệu suất lọc nước và ngăn ngừa sự gây ô nhiễm môi trường xung quanh.
Cấu trúc nội bộ: Bên trong bể lọc áp lực thường có các lớp vật liệu lọc (như cát, sỏi, than hoạt tính) để lọc và làm sạch nước. Các lớp vật liệu này giúp loại bỏ các tạp chất, vi khuẩn và các chất cặn bã khác trong nước.
 Tư vấn chọn bồn lọc áp lực phù hợp với nhu cầu sử dụng
Tư vấn chọn bồn lọc áp lực phù hợp với nhu cầu sử dụng
Hệ thống vận hành: Bể lọc áp lực thường được trang bị các hệ thống vận hành như hệ thống bơm, van điều khiển, hệ thống dẫn nước và hệ thống xả nước. Nhờ các hệ thống này, bể lọc áp lực có thể lọc và xử lý một lượng lớn nước một cách hiệu quả.
Bảo dưỡng và vệ sinh: Để duy trì hoạt động tốt của bể lọc áp lực, cần thực hiện việc bảo dưỡng và vệ sinh định kỳ. Nếu không được bảo dưỡng, các lớp vật liệu lọc có thể bị tắc nghẽn và ảnh hưởng đến khả năng lọc nước.
Tổng kết lại, bể lọc áp lực được cấu tạo và thiết kế để chịu được áp lực cao và đảm bảo hiệu suất lọc nước. Bằng cách sử dụng các lớp vật liệu lọc và các hệ thống vận hành, bể lọc áp lực có khả năng lọc và xử lý nước một cách hiệu quả và hiện đại.

Có mấy loại bồn lọc áp lực trong xử lý nước thải?

Có tất cả 4 loại bồn lọc áp lực trong xử lý nước thải. Đó là bể lọc áp lực composite, bồn lọc áp lực inox, bể lọc áp lực bọc cao su và bể lọc áp lực bọc nhựa. Mỗi loại bồn lọc áp lực này có các đặc điểm và ứng dụng riêng.

lắp đặt hệ thống bồn lọc tại phú thọ

CÔNG TY CỔ PHẦN CƠ NHIỆT TRƯỜNG THÀNH

Hotline : 0862 070 294 – 0966 500 694

Email : conhiettruongthanh@gmail.com – thangduongduy@gmail.com

Trụ sở: Số 42, đường Đại Nải, Nông Trang, Việt Trì, Phú Thọ.

Nhà máy 1: Lô 31, đường Nguyễn Du kéo dài, Dữu Lâu, Việt Trì, Phú Thọ (gần nút giao IC7).

Nhà máy 2: Lô 2, KCN Thụy Vân, xã Thụy Vân, Tp.Việt Trì, tỉnh Phú Thọ

VPGD tại Hà Nội: Số 77 – Lai Xá – Kim Chung – Hoài Đức – Hà Nội.

Để lại một bình luận

Email của bạn sẽ không được hiển thị công khai. Các trường bắt buộc được đánh dấu *

0966 500 694
Hỗ trợ báo giá
Chat ngay